ATmegaXX8 & 'tiny2313

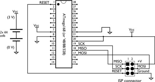
Two open source AVR breakout boards. The ATmegaXX8 target board: an open source design for a business-card sized mini development board for use with the ATmega48, ATmega88, ATmega168 and ATmega328 processors by Atmel. Read more about this project and download the design files here. There is also a similar board for the ATtiny2313; Read more about that project and download the design files here.