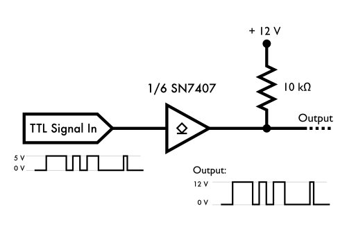
Open Collector Basics: Open collector circuits. Blog article here. SN7407N open collector 2 open collector 3 3_led_bad 12_volt internals no_voltages 3_led_sink wired-AND highside-bad highside-good highside-trivial SN7407N Schematic symbol internals2 highcase2 lowcase3 lowcase2 lowcase1 200 mA