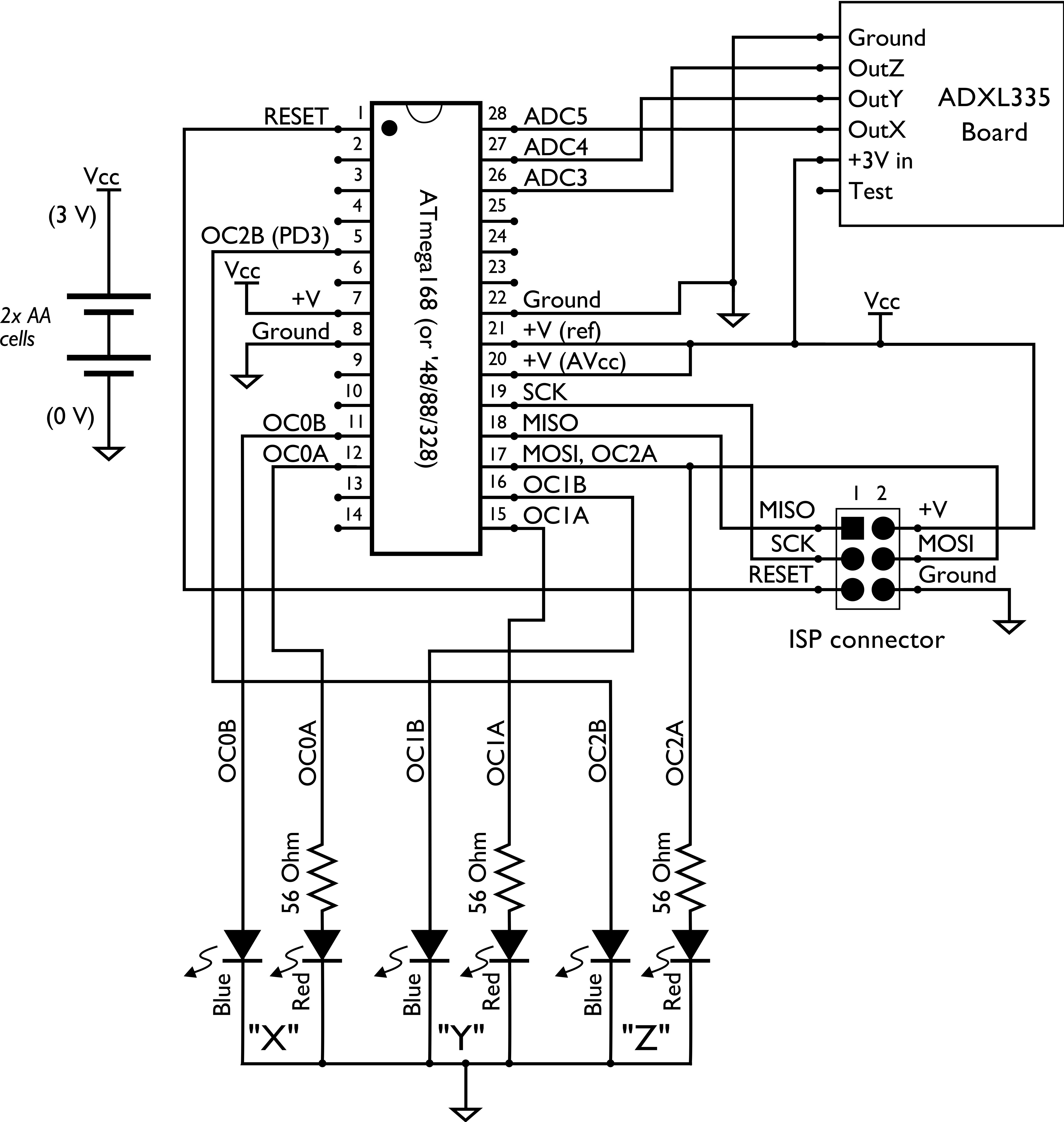
AccelNew4 Testing out an ADXL335 accelerometer, and interfacing it to an AVR microcontroller. Read more here ← Previous Album: Accelerometer Next → Photo by Windell H. Oskay CC BY 2.0 December 29, 2009