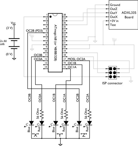
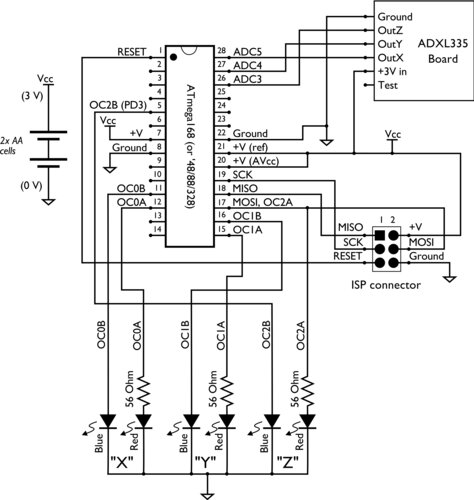
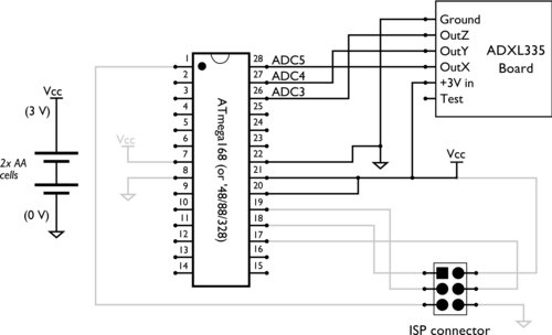
Accelerometer Using an accelerometer for fun and, er..., well... just for fun. HeaderPins Makeshift socket Y up: red Test board All blue.jpg Y down: blue ADXL3XX X up: Red daughter board removed X down: blue ADXL335 - 01 ADXL335 - 02 ADXL335 - 03 ADXL335 - 04 ADXL335 - 05 ADXL335 - 06 ADXL335 - 07 ADXL335 - 08 ADXL335 - 09 ADXL335 - 10 ADXL335 - 11 ADXL335 - 12 ADXL335 - 14 ADXL335 - 15 ADXL335 - 16 ADXL335 - 17 ADXL335 - 18 ADXL335 - 19 ADXL335 - 20 ADXL335 - 21 ADXL335 - 22 AccelNew0 AccelNew1 AccelNew2 AccelNew3 AccelNew4